産品詳情(qíng)
産品概述
消(xiao)防對夾蝶閥(fá)是引進國外(wai)先進技術而(er)自行開發的(de)中線型蝶閥(fá),它具有結構(gou)簡單,密封可(ke)靠,開啓輕便(biàn)、壽♉命長、維護(hu)方便等優點(diǎn)。故被廣泛地(dì)應用于給排(pai)水、建😘築消防(fáng)等系統各種(zhǒng)管⛱️道上,尤其(qí)在消防管路(lu)中。本信号閥(fá)可明白無誤(wù)的顯示出閥(fá)門開關狀态(tài),具有直觀、清(qīng)晰、可靠的反(fǎn)映出消防系(xi)統中的工作(zuò)狀态,所以廣(guang)泛、大量的适(shi)用于消防系(xi)統中。
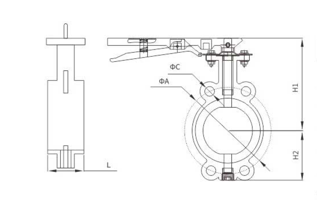
主要(yao)外形連接尺(chǐ)寸
|
DN |
ΦA-ΦC |
L |
H1 |
||
|
ZSDF 7-Q-50-D71X |
50 |
125-16 |
42 |
163 |
70 |
|
ZSDF 7-Q-65-D71X |
65 |
145-18 |
44 |
168 |
75 |
|
ZSDF 7-Q-80-D71X |
80 |
46 |
177 |
90 |
|
|
ZSDF 7-Q-100-D71X |
100 |
180-20 |
192 |
105 |
|
|
ZSDF 7-Q-125-D71X |
125 |
210-24 |
51 |
205 |
115 |
|
ZSDF 7-Q-150-D71X |
150 |
240-25 |
55 |
219 |
131 |
蘇公網安備(bei) 32010202011315号