産品詳情
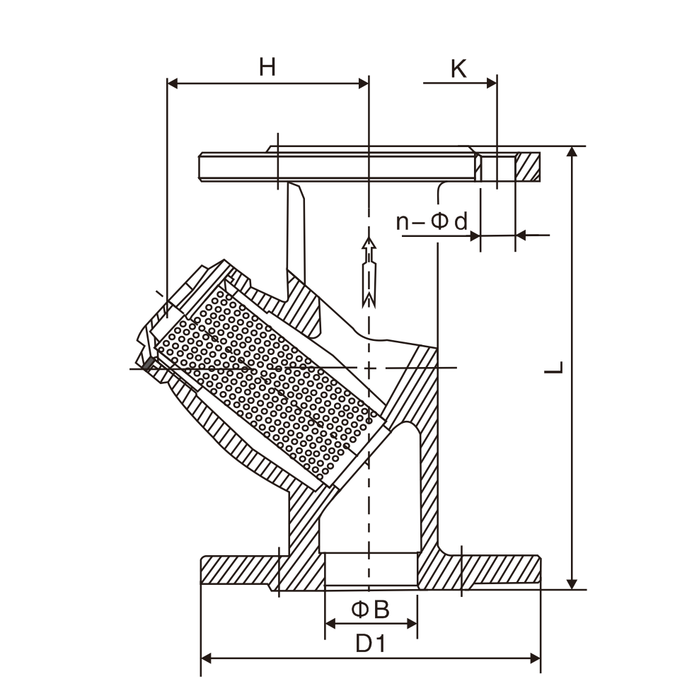
主要外形尺(chi)寸
|
DN(mm) |
NPS(in) |
L |
H |
K |
D1 |
n-Φd |
|
80 |
3 |
305 |
96 |
160 |
200 |
8-18 |
|
100 |
4 |
314 |
220 |
180 |
220 |
8-18 |
|
125 |
5 |
398 |
235 |
210 |
245 |
8-18 |
|
150 |
6 |
470 |
250 |
240 |
280 |
8-22 |
|
200 |
8 |
543 |
330 |
295 |
338 |
11-30 |
産品推薦(jian)
地址:江蘇省(shěng)天堂视🔞频在线视频观看2018㊙️南京市玄武(wǔ)區紅山路88号(hao)3-414室
手機:13913847330
E-mail:[email protected]
網址(zhi):http://dj33.cc
Copyright © 2022-2023 南京博高(gao)閥門有限公(gōng)司 版權所有(yǒu) 京ICP證000000号
蘇公(gong)網安備 32010202011315号
蘇公(gong)網安備 32010202011315号
網(wang)站建設: 豐盛(shèng)科技