産品詳情(qíng)
産品概述
手柄消(xiāo)防溝槽蝶閥具有(you)安裝快速、簡易、安(ān)全、可靠🏒、不受安裝(zhuang)場地限制、便于管(guǎn)道與閥門的維修(xiū)保養,有隔☔振隔音(yīn)與一定的角度範(fàn)圍内有克服管道(dao)連接不同❗軸而産(chan)生仿差🤞,解決溫🙇♀️差(cha)所産生熱脹冷縮(suo)😍等優點。廣泛應用(yong)于輸送流體管道(dào)的給排水,消防、空(kong)調、燃氣、石🔴油、化工(gong)、水處理、市政、造船(chuán)‼️等管道工程♋作爲(wèi)控制流體作用。
産(chǎn)品特點
1、閥門采用(yong)中線型密封結構(gou)設計,扭矩輕,密封(feng)性能好💚;
2、蝶闆、閥杆(gan)采用無銷設計連(lián)接,連接可靠性好(hao);
3、蝶闆整體采用包(bāo)膠硫化,耐腐蝕性(xìng)好;
4、閥門與管道的(de)連接采用卡箍連(lian)接形式,安裝方便(bian)、快🌈速;
5、閥門的驅動(dong)方式多樣化,可配(pei)置把手操作、蝸輪(lun)蝸🔞杆操作、電動及(ji)氣動操作方式。
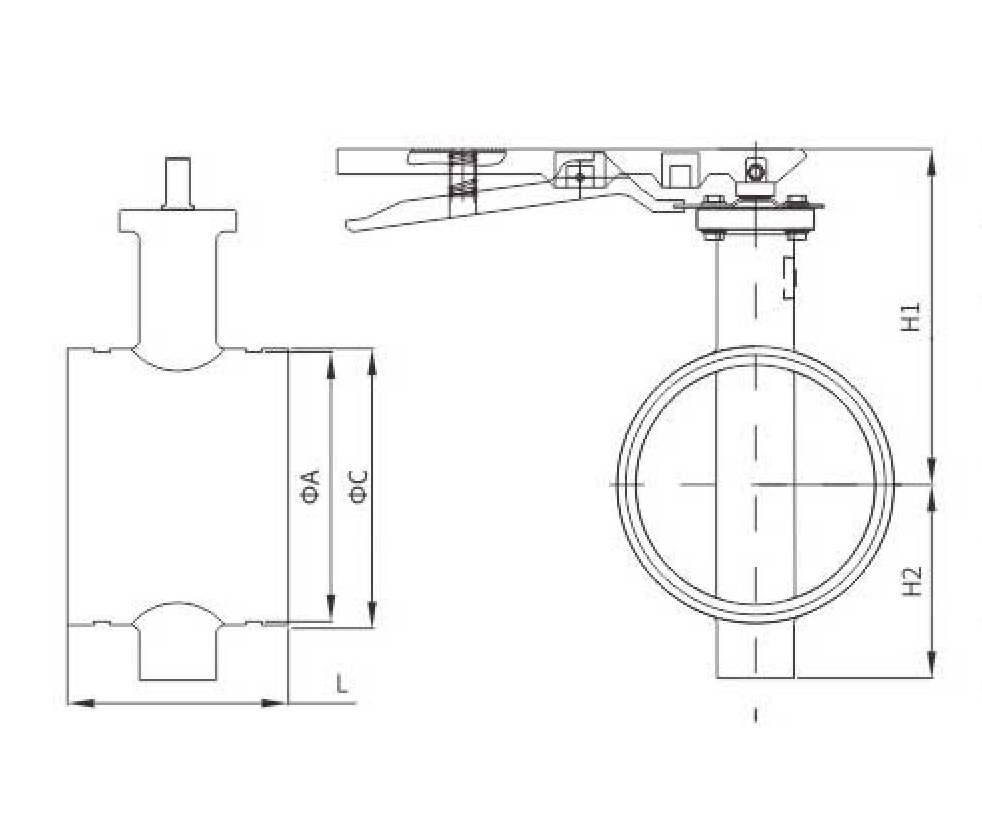
主要外形(xíng)連接尺寸
|
型号 |
DN |
Φ A |
Φ C |
L |
H1 |
H2 |
|
ZSDF 8-Q-50-16-D81X |
50 |
57.2 |
60.3 |
88 |
136 |
62 |
|
ZSDF 8-Q-65-16-D81X |
65 |
72.3 |
76.1 |
96 |
142 |
70 |
|
ZSDF 8-Q-80-16-D81X |
80 |
84.9 |
88.9 |
96 |
149 |
79 |
|
ZSDF 8-Q-100-16-D81X |
100 |
110.1 |
114.3 |
115 |
173 |
94 |
|
ZSDF 8-Q-125-16-D81X |
125 |
135.5 |
139.7 |
115 |
187 |
108 |
|
ZSDF 8-Q-150-16-D81X |
150 |
160.8 |
165.1 |
132 |
201 |
117 |
産品推薦
蘇(sū)公網安備 32010202011315号